> 联系电话:0534-2356779 / 2359696
E-mail:
dzzhongke88@163.com
Toggle navigation
网站首页
HOME
关于我们
ABOUT
产品中心
PRODUCT
公司案例
CASE
新闻动态
NEWS
创新与研发
INNOVATION AND R&D
联系我们
CONTACT
NEWS
新闻动态
公司新闻
Compang News
行业动态
Industry News
信息公告
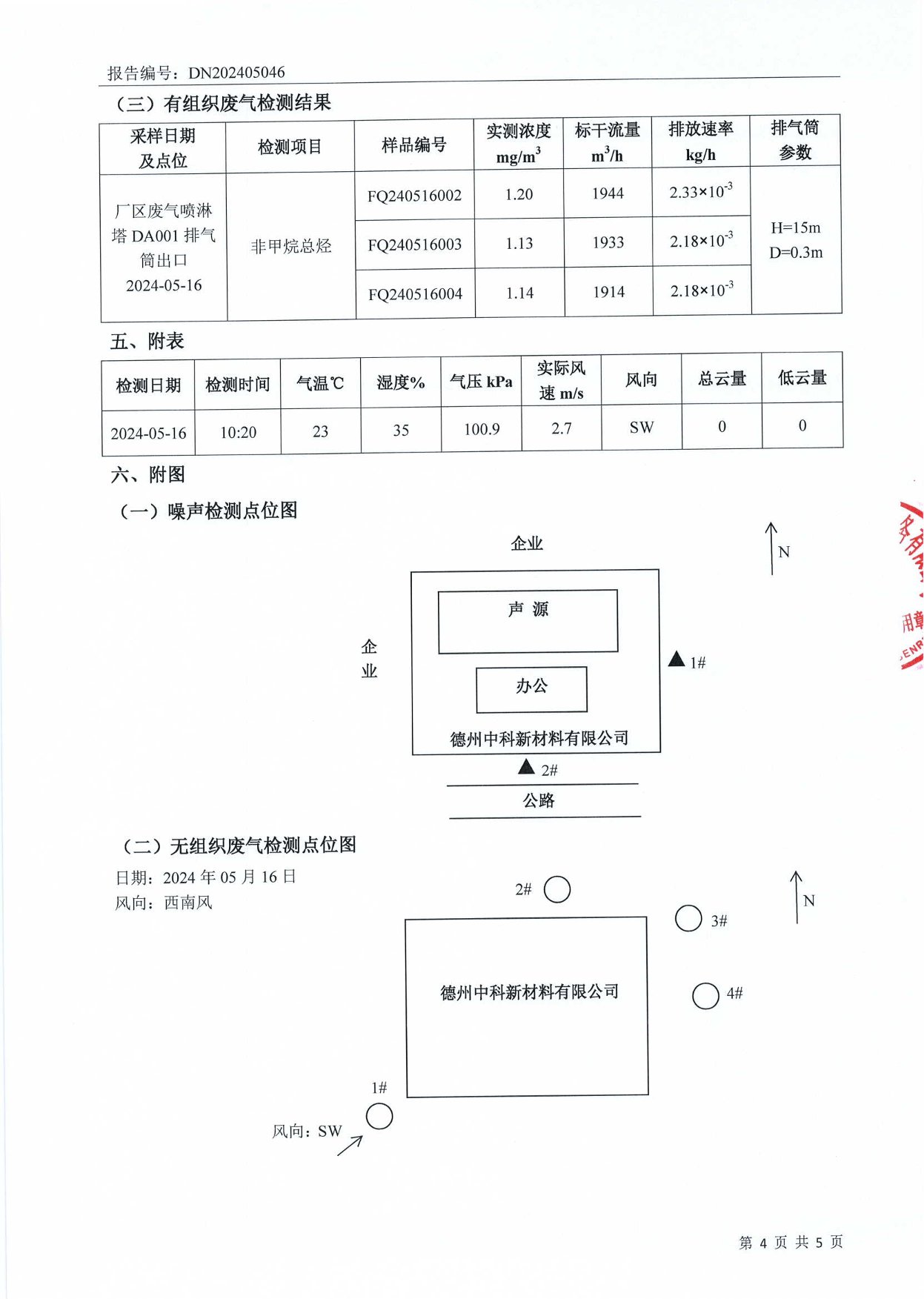
2024上半年废气环境检测公示
2024-06-20
1218
上一条
previous
2023下半年废气环境检测公示
下一条
next
关怀沁人心,奋斗增动能 |德州市总工会“夏送清凉”慰问中科新材料一线员工